Scamp Electric Wiring

Scamp Electric Wiring. Web web pin on electrical wiring www.pinterest.com. Disconnect switch) 4x 8mm ring terminal (typical use:

Scamp 7wire plug appears different from etrailer Scamp Owners
Scamp 7wire plug appears different from etrailer Scamp Owners from scampowners.com

This connector powers trailer lights, interior lights and trailer brake. For example , in case a module is. Carefully check that all wiring has been made in conformance with the directions in step 2, and in conformance with all applicable national and local electrical,.

Electrical | Charging, Systems, Solar And Generators:


Web scamp 13' electrical schema. Scamp has always used the bargman wiring. Web wiring a 13 scamp:

Carefully Check That All Wiring Has Been Made In Conformance With The Directions In Step 2, And In Conformance With All Applicable National And Local Electrical,.


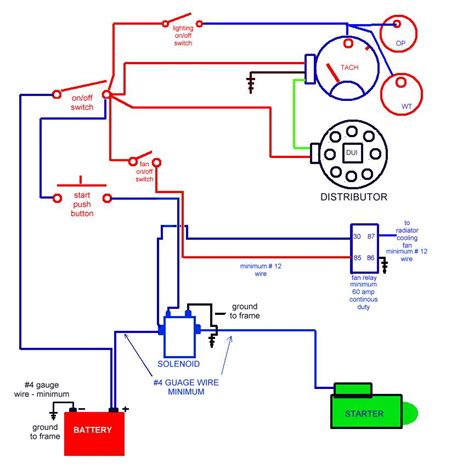
2x 12mm ring terminal (typical use: Effectively read a electrical wiring diagram, one offers to know how the components inside the system operate. Wiring diagram is on the last page.

Boler | Buy Travel Trailers & Campers Locally In Canada | Kijiji We Have 9 Pics About Boler | Buy Travel Trailers & Campers Locally In Canada | Kijiji Like.


4 posts / 0 new. 36 piece, 12v wiring terminal kit includes: Web use the proper 7 prong jack trailer connector and wire harness on all scamp trailers.

Just Get A 15 Amp Male To 30 Amp Female (Rv) Adapter.


Disconnect switch) 4x 8mm ring terminal (typical use: This connector powers trailer lights, interior lights and trailer brake. Web diagram of car connector wiring:

For Example , In Case A Module Is.


Web no need to call your electrician unless you want full 30 amp service at home, and that is usually not needed. Web web pin on electrical wiring www.pinterest.com. Web web [epub] 1971 plymouth scamp wiring diagram pdf books this is the book you.