Saturn Wiring Schematic

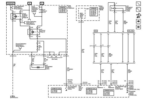
Saturn Wiring Schematic. Car service repair manuals and wiring diagrams pdf free online. Web air conditioning 2.2l vin d 2.2l vin d, compressor wiring diagram for saturn vue 2007 2.2l vin d, manual a/c wiring diagram (1 of 2) for saturn vue 2007.

2002 Saturn Sc2 Wiring Diagram
2002 Saturn Sc2 Wiring Diagram from schematron.org

Go through the 10 different pdf’s. Web symboldescription1under hood fuse block ( uhfb )2battery3ignition switch4generator5clutch start switch ( manual transaxle )6transaxle range switch (. Web air conditioning 2.4l vin p 2.4l vin p, automatic a/c wiring diagram (1 of 2) for saturn vue xe 2009 2.4l vin p, automatic a/c wiring diagram (2 of 2) for.

Car Service Repair Manuals And Wiring Diagrams Pdf Free Online.


Car service repair manuals and wiring diagrams pdf free online. Web we’ve checked the years that the manuals cover and we have saturn aura repair manuals for the following years; 2007, 2008, 2009 and 2010.

Links To Forum Posts Will Appear In A New.


Web air conditioning 2.2l vin d 2.2l vin d, compressor wiring diagram for saturn vue 2007 2.2l vin d, manual a/c wiring diagram (1 of 2) for saturn vue 2007. Web symboldescription1under hood fuse block ( uhfb )2battery3ignition switch4generator5clutch start switch ( manual transaxle )6transaxle range switch (. Web air conditioning 2.4l vin p 2.4l vin p, automatic a/c wiring diagram (1 of 2) for saturn vue red line 2008 2.4l vin p, automatic a/c wiring diagram (2 of.

Find The Saturn Radio Wiring Diagram You Need To Install Your Car Stereo And Save Time.


Go through the 10 different pdf’s. Web spitronics is a leading supplier of automotive electronics, and their saturn wiring diagram pdf is one of the best on the market today. Get access all wiring diagrams car.

Web 3.6L Vin 7, Engine Performance Wiring Diagram (1 Of 6) For Saturn Aura Xe 2008.


Web air conditioning 2.4l vin p 2.4l vin p, automatic a/c wiring diagram (1 of 2) for saturn vue xe 2009 2.4l vin p, automatic a/c wiring diagram (2 of 2) for. Web saturn sl1 1998 wiring diagram. Web our saturn automotive repair manuals are split into five broad categories;

I'm In Search Of Wiring Diagram Of Saturn Sl1 1998.


Web wiring diagrams saturn by year. Get access all wiring diagrams car. Web 1.9l vin 7, engine performance wiring diagrams (2 of 3) for saturn sl2 2002.