Saturn Aura Wiring Schematic

Saturn Aura Wiring Schematic. 35 saturn stereo wiring diagram. We’ve checked the years that the manuals cover and we have saturn.

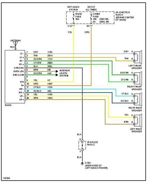
07 Saturn Aura Stereo Wiring Diagram inspirex
07 Saturn Aura Stereo Wiring Diagram inspirex from inspirex13.blogspot.com

The car looks new thought i was getting a great. Web our saturn automotive repair manuals are split into five broad categories; Get access all wiring diagrams car.

Web Saturn Aura Wiring Schematic.


Checked the rocker switches and there all good. Web i have a 2008 saturn outlook xe with an electrical problem that started 2 weeks ago.while. Wiring diagram for power window.

The Car Looks New Thought I Was Getting A Great.


Web 3.6l vin 7, engine performance wiring diagram (5 of 6) for saturn aura xe 2009. Web air conditioning 2.4l vin 5 2.4l vin 5, automatic a/c wiring diagram (1 of 2) for saturn aura xe 2007 2.4l vin 5, automatic a/c wiring diagram (2 of 2) for. Web use of the saturn aura wiring diagram is at your own risk.

35 Saturn Stereo Wiring Diagram.


2008 saturn aura xr driver window regulator motor is not getting any power. Acadia gmc 2008 saturn outlook light xe headlights. Web wiring diagrams saturn by year.

Get Access All Wiring Diagrams Car.


Saturn astra xe saturn astra xr saturn aura green line saturn aura xe saturn aura xr saturn ion 1 saturn ion 2 saturn ion 3 saturn. 2008 saturn aura coolant leak i bought a 2008 aura with 32k miles on it in 2013. We’ve checked the years that the manuals cover and we have saturn.

Always Verify All Wires, Wire Colors And Diagrams Before Applying Any Information Found Here To Your 2009 Saturn.


Web our saturn automotive repair manuals are split into five broad categories; Web these aura manuals have been provided by our users, so we can’t guarantee completeness. Saturn wiring ion radio diagram vue stereo 2004 amp 2005 sound diagrams saturnfans sun forums.