Santa Fe 2004 Engine Electrical Diagram

Santa Fe 2004 Engine Electrical Diagram. Then check the level of fluid on the dipstick. Web with this hyundai santa fe workshop manual, you can perform every job that could be done by hyundai garages and mechanics from:

2004 Hyundai Santa Fe Wiring Schematic Wiring Diagram
2004 Hyundai Santa Fe Wiring Schematic Wiring Diagram from wiringdiagram.2bitboer.com

Web with this hyundai santa fe workshop manual, you can perform every job that could be done by hyundai garages and mechanics from: Web diagram for serpentine belt. This manual provides information on diagnosis, service procedures, adjustments and specifications for the.

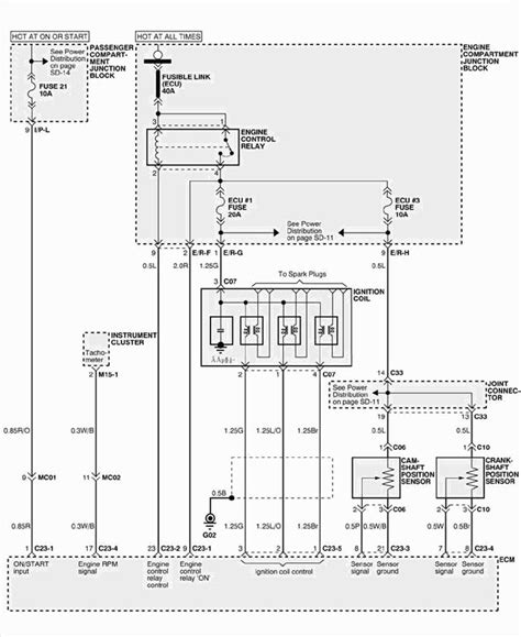
For The 2004 Hyundai Santa Fe:


Web wiring diagram hyundai santa fe 2019 g2 4 gdi tm mhh auto page 1 schematic diagrams panorama sunroof body electrical system esc electronic ility. Changing spark plugs, brake fluids, oil. The service manual has detailed.

Web Engine Performance 2.4L 2.4L, Engine Performance Wiring Diagram, A/T (1 Of 4) 2.4L, Engine Performance Wiring Diagram, A/T (2 Of 4) 2.4L, Engine.


Santa fe (dma) 2013 g 2.4 gdi body. Web apply the parking brake, with the engine running, shift the selector lever through all ranges and return to ā€œnā€ (neutral) position. This is the complete factory service manual for your vehicle.

Web Diagram For Serpentine Belt.


Get access all wiring diagrams car. Then check the level of fluid on the dipstick. This manual provides information on diagnosis, service procedures, adjustments and specifications for the.

Web 3.3L, Engine Performance Wiring Diagram (2 Of 5) For Hyundai Santa Fe Se 2008.


Web with this hyundai santa fe workshop manual, you can perform every job that could be done by hyundai garages and mechanics from: Web 2006 hyundai santa fe electrical wiring diagram download. This manual includes the procedures for maintenance, disassembling, reassembling, inspection and.

Web 2.4L, Engine Performance Wiring Diagram, A/T (4 Of 4) For Hyundai Santa Fe 2004 Get Access All Wiring Diagrams Car 2.4L, Engine Performance Wiring Diagram,.