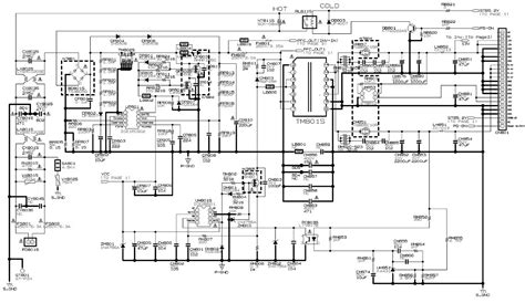
Samsung Lcd Wiring Schematic

Samsung Lcd Wiring Schematic. Web this includes all of the internal wiring, the circuit boards, and the various components that control the tv’s operation. Web a samsung tv schematic diagram is a visual representation of how all the parts of the television are connected.

[DIAGRAM] Samsung Lcd Tv Wiring Diagrams Pictures FULL Version HD
[DIAGRAM] Samsung Lcd Tv Wiring Diagrams Pictures FULL Version HD from eteachingplus.de

Web a schematic diagram includes the following components: Web samsung lcd monitor quick start guide (20 pages) monitor samsung t240 quick start manual (21 pages) monitor samsung syncmaster t240 user manual. Web the “ground” symbol indicates the connection between the ground wire and the negative terminal of the power source.

Web A Samsung Tv Schematic Diagram Pdf Is A Technical Schematic Showing The Wiring, Components And Connections Of A Samsung Television Set.


Web with this guide, you’ll have the knowledge and confidence to diagnose and repair any issues with your samsung tv. Samsung cz20f42tseh service manual pdf manualslib. With the unit’s ac switch first in the on position and then off, measure the current.

Web A Schematic Diagram Includes The Following Components:


Samsung smart tv pdf manual circuit board diagrams. Web first, let’s discuss the basic components of the samsung crt tv schematic diagram. Web with the unit completely reassembled, plug the ac line cord directly into a 120v ac outlet.

Samsung Smart Tv Pdf Manual Circuit Board.


Web v3 0 collection of lcd television repair tips tv. At the top of the diagram, you will see the power supply, which converts ac. Web samsung led tv circuit diagram pdf, led tv circuit diagram free download, samsung crt tv circuit diagram pdf,, samsung lcd tv circuit diagram free download,.

Web The “Ground” Symbol Indicates The Connection Between The Ground Wire And The Negative Terminal Of The Power Source.


Web this includes all of the internal wiring, the circuit boards, and the various components that control the tv’s operation. Web a samsung tv schematic diagram is a visual representation of how all the parts of the television are connected. Once you understand the meaning of the symbols, you can.

Ltw19Hs Monitor Pdf Manual Download.


V3 0 collection of lcd television repair. Web view and download samsung ltw19hs service manual online. Web samsung lcd monitor quick start guide (20 pages) monitor samsung t240 quick start manual (21 pages) monitor samsung syncmaster t240 user manual.