Same Explorer 2 80 Wiring Manual

Same Explorer 2 80 Wiring Manual. Web this product is available. Save yourself much money by doing your own repairs!.

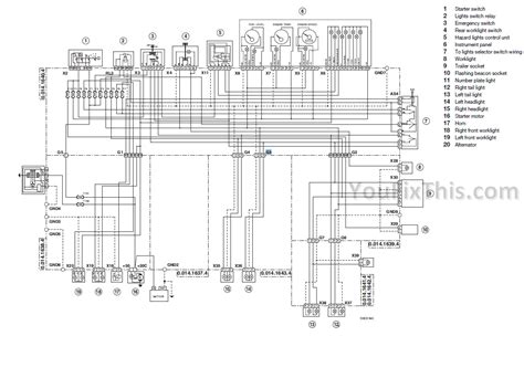
Business & Industrial SAME Explorer II 80 Tractor PDF Service
Business & Industrial SAME Explorer II 80 Tractor PDF Service from cdctelecom.com

Web same rubin 135 tractor workshop manual. Get the same explorer 2 80 wiring. You have remained in right site to start getting this info.

Save Yourself Much Money By Doing Your Own Repairs!.


You have remained in right site to start getting this info. Save yourself much money by doing your own repairs!. Same rubin 150 tractor workshop manual.

Web Deutz Agrotron 80/85/90/100/105 Mk3 Workshop Manual Pdf.


Save yourself much money by doing your own repairs!. Same rubin 180 tractor workshop. Web same rubin 135 tractor workshop manual.

Web This Book Same Explorer 2 80 Wiring Manual Is Additionally Useful.


Save yourself much money by doing your own repairs!. Same explorer ii 80 spare parts list, original manual (pdf file catalog) specifications: Same rubin 160 tractor workshop manual.

4 Pictures About Deutz Agrotron 80/85/90/100/105 Mk3 Workshop Manual Pdf :


14 pics about same explorer 2 3 75 85 95 100 t tb special. Get the same explorer 2 80 wiring. Web this same explorer 80 from serial 30001 tractor operators manual pdf download provides detailed instructions and diagrams for safe operation, maintenance and storage.

Fully Illustrated Parts Manual With.


Web this product is available. Web this same explorer 80 from serial 30001 tractor workshop repair service manual pdf download provides detailed technical characteristics, calibrations.