Saab 93 Wiring Harness Vs Automatic

Saab 93 Wiring Harness Vs Automatic. The car company saab was created in. Web don't let the wire harness be a weak chain in your saab, visit our website to choose the finest one.

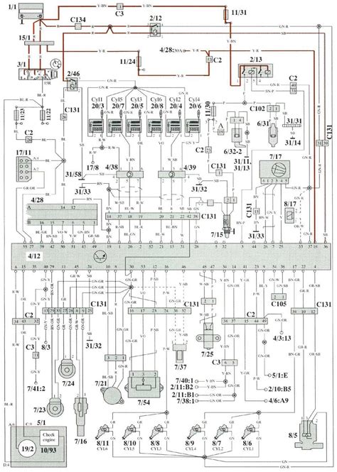
saab 93 ys3f wiring diagram
saab 93 ys3f wiring diagram from wirefixmarcho.z21.web.core.windows.net

Web visually inspect the related wiring harness and connectors. Also, it makes installation a breeze. Thousands of customer trailer wiring reviews, expert tips and recommendation.

Web 12779703 Saab Body Wiring Harness Parts From Esaabparts Com.


Web add your answer. Auto meterĀ® speedometer gauge wiring harness. Fuel gauge not working saab 93 boards ie now ye re talkin.

Check For Damaged Components And Look For Broken, Bent, Pushed Out, Or Corroded Connector's Pins.


Web don't let the wire harness be a weak chain in your saab, visit our website to choose the finest one. Great prices, easy online ordering at. 11 pics about saab 93 wiring diagram vs automatic :

Web Carxtc Car Radio Wire Harness Install A Aftermarket Stereo.


Web saab 93 wiring harness vs automatic. Turn on the ignition, with the engine off. Web 2005 saab 92x aero 95k automatic (subaru wrx wagon) full part out.

Also, It Makes Installation A Breeze.


Web saab 93 wiring diagram vs automatic. Many owners have reported persistent abs and traction control light problems concerning second. Thousands of customer trailer wiring reviews, expert tips and recommendation.

Web Switch Unit, Steering Wheel, Horn/Switch, Integrated In Column Integration Module.


Web electrical system / wiring harness and components / wiring diagram / wiring diagram. The car company saab was created in. Press and hold the brake pedal.