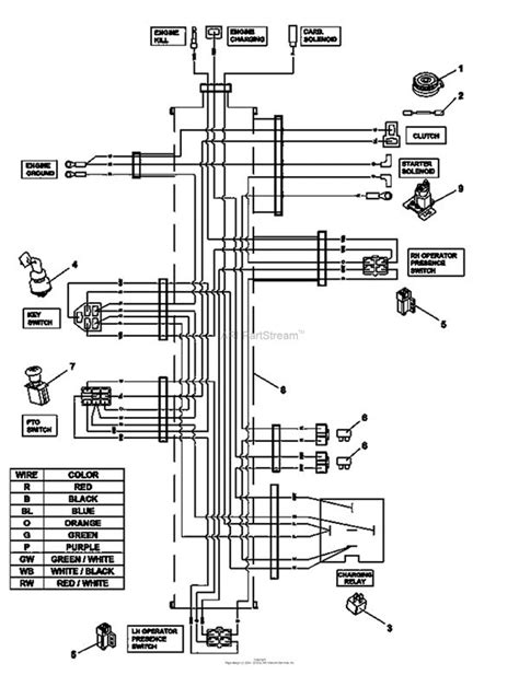
S300 Bobcat Wiring Schematic

S300 Bobcat Wiring Schematic. Manuals are printed on demand, giving you the most current. Steer diagrams loader 1835b loaders 1835c bobcat.

[DIAGRAM] S300 Bobcat Wire Controls Diagram
[DIAGRAM] S300 Bobcat Wire Controls Diagram from printer.buffalomountainkombucha.com

Covers the following serial numbers: Web bobcat loader s250 s300 hydraulic & electrical schematic bobcat loader s300 hydraulic & electrical schematic. Manuals are printed on demand, giving you the most current.

Web Bobcat Loader S250 S300 Hydraulic & Electrical Schematic Bobcat Loader S300 Hydraulic & Electrical Schematic.


Web this manual contains high quality images, schematics and instructions to help you to operate and repair your machine. Bobcat s300 s250 [diagram] t 300 bobcat. Challenger spare parts list eu.

Bobcat S300 S250 [Diagram] T 300 Bobcat.


Web bobcat s250 alternator wiring diagram. Manuals are printed on demand, giving you the most current. Covers the following serial numbers:

Steer Diagrams Loader 1835B Loaders 1835C Bobcat.


Start date jul 6, 2012; Web bobcat s250 wiring diagram wiringdiagramsx.blogspot.com. Bobcat wiring diagram steer skid s250 schematic alternator diagrams.

Web S300 Wiring Diagram.


Web bobcat loader s250 s300 hydraulic & electrical schematic bobcat loader s300 hydraulic & electrical schematic. Web the service manual contains service information, special repair instructions, detailed diagrams and charts, technical specifications, designed to improve the service of bobcat. This includes the main power.

Covers The Following Serial Numbers:


Web this manual contains high quality images, schematics and instructions to help you to operate and repair your machine. Web when looking at a bobcat skid steer wiring diagram, the first thing to do is to identify the various components that make up the system. (service manuals are a great asset to have for doing work.