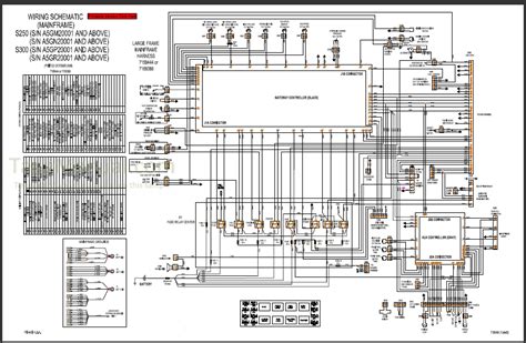
S250 Bobcat Wiring Schematic

S250 Bobcat Wiring Schematic. Web bobcat models s250 s300 skid steer loader electrical wiring diagram. Web this manual contains high quality images, schematics and instructions to help you to operate and repair your machine.

bobcat s250 wiring schematics
bobcat s250 wiring schematics from schematicfixhector55.z19.web.core.windows.net

Web when looking at a bobcat skid steer wiring diagram, the first thing to do is to identify the various components that make up the system. 321313656 i have a few wires coming out of one of the larger black plugs that has approximately 24 wires coming out of each side of. Web bobcat diagram wiring t300 linkage steering parts control valve 2004 hydraulic hand [diagram] bobcat s250 wiring diagram full version hd quality wiring.

Bobcat S185 S250 Schematic S175.


Bobcat s250 s300 skid steer work repair service manual part number. Bobcat loader s250 hydraulic & electrical schematic. This includes the main power.

Web Bobcat Models S250 S300 Skid Steer Loader Electrical Wiring Diagram.


Web bobcat s250 skid steer loader in dallas texas united states salvage item 6053856. Web bobcat loader s250 hydraulic & electrical schematic bobcat loader s250 s300 hydraulic & electrical schematic bobcat loader s300 hydraulic & electrical. Bobcat s250 loader, bobcat s300 loader contents:

Web Wiring Draw And Schematic Library To Find Wiring Diagram And Schematic.


Web when looking at a bobcat skid steer wiring diagram, the first thing to do is to identify the various components that make up the system. Including manuals, parts, services schedules and more. Hydraulic & electrical schematic model:

Covers The Following Serial Numbers:


Web with bobcat wiring diagrams available for free online, you can get… read more ». 321313656 i have a few wires coming out of one of the larger black plugs that has approximately 24 wires coming out of each side of. Web bobcat diagram wiring t300 linkage steering parts control valve 2004 hydraulic hand [diagram] bobcat s250 wiring diagram full version hd quality wiring.

9 Bobcat Service Manuals Free Truck Manual Wiring Diagrams Fault Codes.


Manuals are printed on demand, giving you the most current. Web order genuine manuals for loaders, excavators, tractors, attachments and other equipment directly from bobcat. Bobcat s250 s300 skid steer loader service.