S15 Wiring Schematic

S15 Wiring Schematic. Web 1989 gmc s15 pickup and jimmy wiring diagram manual original. Looking for wiring diagrams 82 gmc 1500 gm.

1987 gmc s15 wiring diagram
1987 gmc s15 wiring diagram from groover.sch.bme.hu

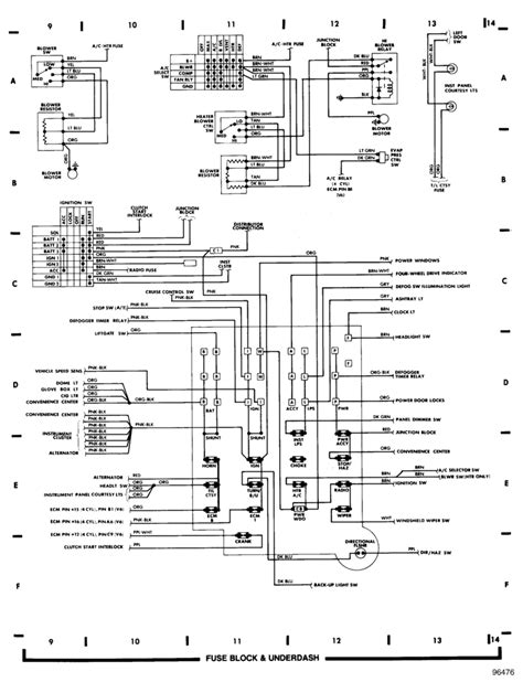
Web s15 wiring schematic | diagram source lavasmagas.blogspot.com. You may need to locate a specific color wire and its exact location. The schematic measures 8.5 x 11 when folded up, and opens up to 11 by 38.

Web 1989 Gmc S15 Pickup And Jimmy Wiring Diagram Manual Original.


Nissan 200sx s13 euro lhd. The schematic measures 8.5 x 11 when folded up, and opens up to 11 by 38. Web the maxxecu adapter for nissan s14a/s15 with sr20 can be used with all our ecus.

Web F1 Ford Antilock Brake System Index Ref.


Web these gm wiring diagrams provide schematics for. Tags diagram direction mark s15 wiring; Electrical problem 1984 gmc s15 6 cyl.

Web 1984 Gmc S15 Tachometer:


Web s15 sr20det wiring diagram. Electrical problem 1984 gmc s15 6 cyl : Web although the schematic is in black and white, the color of each wire is noted.

Ecu S15 S13 Ca18Det 200Sx.


Web s15 wiring schematic | diagram source lavasmagas.blogspot.com. Nissan 240sx s14 usdm lhd. Web web s15 wiring diagram.

Web Select Your Chassis For Wiring Instructions.


Web an s15 sr20det wiring diagram is a diagram or schematic that shows how all the components of the engine are connected electrically. Nissan silvia & 180sx jdm rhd. Ecu s15 200sx s13 ca18det.