Rzr Wiring Schematic

Rzr Wiring Schematic. Web polaris rzr 170 wiring schematic new 2014 polaris rzr 170 for sale. Tail light wiring schematic page 5 polaris rzr forum forums net.

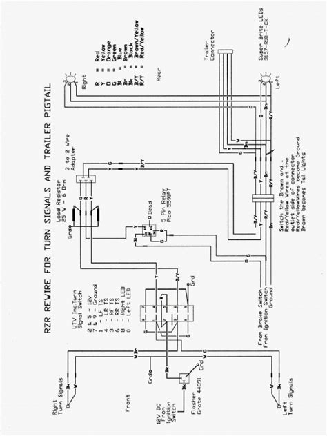
Rzr Turn Signal Wiring Diagram Wiring Diagram
Rzr Turn Signal Wiring Diagram Wiring Diagram from wiringdiagram.2bitboer.com

Polaris rzr 170 utv manual 2012 2015 pdf heys s. Polaris ranger rzr 170 service manual manualzz. Rzr xp 1000 offroad vehicle pdf manual download.

Web Polaris Ranger Rzr 170 2013 Owner S Manual Pdf Manualslib.


Comes with two black polaris helmets, small dedicated toolkit, 4 oz. Web the polaris ranger 570 wiring diagram is a tool that can open up a world of possibilities for those looking to make repairs or modifications to their vehicle. Polaris ranger rzr 170 service manual manualzz.

2414525.Rsd Wire Color Legend Bg Beige (Tan) E = Engine Ground Bk Black Schematic Cable/Wire Termination Table.


The 2008 polaris rzr 800 wiring diagram can assist in properly connecting components such as the headlight. Web clymer polaris rzr 800 2008 2014 by haynes publishing quarto at a glance the group. Web overview of the 2008 polaris rzr 800 wiring diagram.

Web Xprite Upgraded 30 Offroad Led Rear Chase Strobe Light Bar W/ Brake Reverse Turn Signal Light For Polaris Rzr Xp 1000 900, Utv, Atv, Side By Sides, 4X4,.


Tail light wiring schematic page 5 polaris rzr forum forums net. Web the polaris ranger xp 1000 wiring diagram consists of several components. Here is a quick overview of each component and its function:

Web Polaris Rzr 170 Wiring Schematic New 2014 Polaris Rzr 170 For Sale.


Web view and download polaris rzr xp 1000 service manual online. Polaris rzr 800 wiring schematic. Rzr xp 1000 offroad vehicle pdf manual download.

Polaris Rzr 170 Utv Manual 2012 2015 Pdf Heys S.