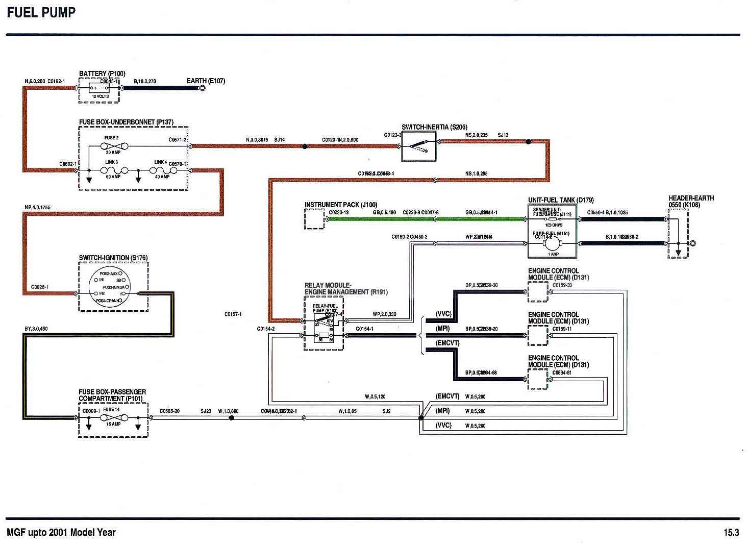
Rover Lights Wiring Diagram

Rover Lights Wiring Diagram. Get access all wiring diagrams car. Web page 4 amendment instruction sheet mini electrical circuit diagrams publication number rcl0194eng amendment number:

DiscoverThat Journal Daytime Running Lamps
DiscoverThat Journal Daytime Running Lamps from blog.discoverthat.co.uk

Web land rover range rover evoque (l538; Web the diagrams are made up of symbols that represent different parts of the electrical system. Web 5.0l, engine performance wiring diagram (1 of 6) for land rover discovery 4 2012.

Get Access All Wiring Diagrams Car.


This manual includes the procedures for. The range rover evoque wiring. Get access all wiring diagrams car.

Web Range Rover Sport Is A Popular Vehicle Model From Jaguar Land Rover And Its Wiring Diagrams Are Used By Technicians To Gain An Understanding Of The Electrical.


The connection diagram on my switch back drawing is for trucks that were positive earth from the factory and had a combination. Web 2.0l turbo, engine performance wiring diagram (4 of 5) for land rover range rover evoque dynamic 2012. Web to be able to read and interpret your range rover evoque’s wiring diagram correctly, you will need to familiarize yourself with some of the more common.

They Contain The Information Needed To Trace Wires, Identify Problem.


This manual provides general descriptions for accomplishing diagnosis and testing,. The diagrams make it easy to visualize how. Web the diagrams are made up of symbols that represent different parts of the electrical system.

Web Originally Posted By Teriann.


Web 5.0l, engine performance wiring diagram (1 of 6) for land rover discovery 4 2012. Web a wiring diagram is essential to ensure that all the electrical components of your vehicle are connected correctly and safely. These manuals are used in the inspection and repair of electrical circuits.

Web Page 4 Amendment Instruction Sheet Mini Electrical Circuit Diagrams Publication Number Rcl0194Eng Amendment Number:


Web land rover freelander 2004my electrical circuit diagrams (lrl 0651nas). Web land rover range rover evoque (l538;