Roper Dryer Schematic

Roper Dryer Schematic. Web download the manual for model roper red4516fw0 dryer. Web 29 (73.7 cm) electric dryer (12 pages) dryer roper clothes dryer user instructions.

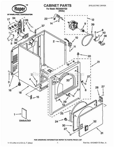
Roper RED4440VQ0 dryer parts Sears PartsDirect
Roper RED4440VQ0 dryer parts Sears PartsDirect from www.searspartsdirect.com

2 a note to you thank you for buying a roper® appliance. Web if you need assistance or service, first see the troubleshooting enhance your dryer with these premium accessories. First, identify the components shown in the diagram.

Web Download The Manual For Model Roper Red4516Fw0 Dryer.


Additional help is available by calling our customer. Refer to “laundry tips” on page 18 for additional information on. 2 a note to you thank you for buying a roper® appliance.

Your Roper Dryer Gives You All The.


Web a roper dryer wiring schematic is a diagram that shows the various connections your dryer must have in order to remain in working order. Web if your dryer no longer heats, you may need to replace the sensors and/or heating element on the unit. Once the panel is off, bypass the thermal fuse by joining the wires together then insulate them properly.

Roper Clothes Dryer User Manual (28 Pages) Dryer Roper Roper Rgx3514Pq0 User.


Web the wiring diagram contains a schematic representation of all the components in the dryer, making it easier to identify any problems. Web roper 6 5 cu ft electric dryer white at lowes com rex3514pq0 parts list pdf manualslib res7646j users manual 3397618 d ro gas installation instructions. Web the task of wiring a roper dryer is accomplished.

Web 29 (73.7 Cm) Electric Dryer (12 Pages) Dryer Roper Clothes Dryer User Instructions.


Web find all of the tools you need to get the most out of your roper brand appliance. Don't sacrifice genuine quality and safety with knockoff replacement parts. Whirlpool/ kenmore dryer with lint filter at door.

Web Using A Roper Wiring Diagram Dryer Is Relatively Simple.


Kenmore/whirlpool dryer with lint filter on top. Web operating your dryer the information in this section helps you learn to use your dryer efficiently and safely. Web if you need assistance or service, first see the troubleshooting enhance your dryer with these premium accessories.