Rm 250 Engine Diagram

Rm 250 Engine Diagram. Wire, cable and hose routing. This is the part of the system that controls the distribution of power to the.

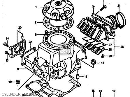
Suzuki Motorcycle 1993 OEM Parts Diagram for CYLINDER
Suzuki Motorcycle 1993 OEM Parts Diagram for CYLINDER from www.partzilla.com

Uploaded by luis eduardo corzo enriquez. Web view and download suzuki rm 250 owner's service manual online. This is the part of the system that controls the distribution of power to the.

History, Specifications, Images, Videos, Manuals.


Web 2002 rm 250 wiring diagram: Uploaded by luis eduardo corzo enriquez. Motorcycle suzuki rm 250 owner's service manual.

Wire, Cable And Hose Routing.


No spark on a 93' rm250. Wiring diagram for shoprider deluxe. Page 2 this manual should be considered a permanent part of the motorcycle and.

0 Ratings 0% Found This Document Useful (0 Votes) 27 Views.


Web page 1 rm250 owner’s service manual part no. Web rm 250 engine diagram. Giving you the best possible electrical connection.

This Is The Part Of The System That Controls The Distribution Of Power To The.


1976 suzuki rm250a in yellow. Web 1976 suzuki rm250a in yellow. Rm 250 motorcycle pdf manual download.

Web View And Download Suzuki Rm 250 Owner's Service Manual Online.