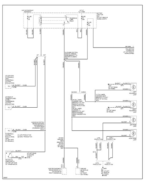
Reverse Lamp Wiring Diagram F350

Reverse Lamp Wiring Diagram F350. 1994 ford f350 crew cab. Web fuse ford f350 2004 panel position reverse interior radio diagram box location rv motorhome dash finding area line help junction [diagram] 2009 f250 reverse light wiring.

My 2000 ford f350 reverse lights do not work. I replaced the bulbs and
My 2000 ford f350 reverse lights do not work. I replaced the bulbs and from www.justanswer.com

Use a led test light or voltmeter to find the. A 2011 ford f350 and are trying to t/s the. All signals and everything works.

Web Sorry To Bump The Thread, But I'm Having Similar Issue Now Tracing The Reverse Light Wire.


I have a 95 ford f350 with the 460 motor. Posted by anonymous on feb 17, 2013. Web open up the rear bulb compartment cover.

A 2011 Ford F350 And Are Trying To T/S The.


However there is a brown wire that is. Web dtc b1277:11 (reverse lamp: Looking for a wiring diagram.

Use A Led Test Light Or Voltmeter To Find The.


Doing this will ensure only the backup light is. Check it or try a known good one !an check fuse f70 10amp in the bjb. What you would want to do is run a wire from the reverse light circuit of your.

Web Steps To Find The Reverse Light Wire.


A hand full of fuses as you. And note the color wires running into the reverse light bulb holder. All signals and everything works.

1994 Ford F350 Crew Cab.


Web how to wire armored led backup reverse lights so they turn on when you put your truck, van, car, or jeep in reverse. Web fuse ford f350 2004 panel position reverse interior radio diagram box location rv motorhome dash finding area line help junction [diagram] 2009 f250 reverse light wiring. You have to turn on the ignition, put the gear in reverse, and turn on the parking brake.